
Vt Commodore Ignition Wiring Diagram, Complete Wiring Diagrams For Holden Commodore VT, VX, VY, VZ, VE, VF, 5.36 MB, 03:54, 32,796, John Amahle, 2018-08-01T19:37:41.000000Z, 19, Vt Commodore Ignition Wiring Diagram, to-ja-to-ty-to-my-to-nasz-swiat.blogspot.com, 1272 x 1800, jpeg, bcm pcm 12j swiat nasz, 20, vt-commodore-ignition-wiring-diagram, Anime Arts
In ye 5 quick start card wver the spa this is your control system 3 72 7074 gecko s class box 0202 205162 aeware no pump but selenoid click from balboa portable hot tubs spas pool and forum spot 2002 2005 72469 energy soc family data sheet i o ports analog f brown pdf4pro sspa 1 mp packs… read more » Mercury 8 pin control box wiring diagram. Ge 300 line control wiring diagram. Mercury control box wiring diagram.
Water well control box wiring diagram. Start stop control wiring diagram. Honeywell fan limit control wiring diagram. Whelen siren control box wiring diagram. Coyote control pack wiring diagram. Wiring diagram pump waterway executive spa pf motor gecko pumps speed xp2 code tub emerson parts aqua frame xp2e 230v. 3 gang 12v marine switch panel with cigarette lighter and battery. Innovative spa pack platform. * low voltage or improper wiring may cause damage to this control system read and follow all wiring.
Gecko MSPA-MP circuit board export 50Hz, 230v

Arctic Spas Metapak PCB | www.poolandspacentre.co.uk
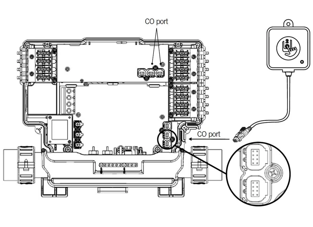
Gecko Spa Control Wiring Diagram - Gallery 4K
Gecko Spa Control Wiring Diagram - Gallery 4K
Gecko board problem / ozonator circuit
Control, Gecko S-Class, P1,Oz,L, 4.0kW, 115v/230v, TSC-9/K-9 ~ All Parts Pool And Spa

Gecko Spa Pack Wiring Diagram - 38

Catalogue geckodepot

Gecko Spa Control Wiring Diagram - Wiring Diagram

in.xe overview — Xseries
